
Herkesin Bildiği Habere Neden Yer Vermedik?
MCE - Mostra Convegno Expocomfort 2026
Yıl Boyu Helikopter İnişleri için Açık Alan Isıtması
LG'den Therma V Isı Pompası
|
Mutfak Havalandırma Tesisat Tasarımı ve Tasarım Ölçütleri![]()
İsmail CAN
Birikim Mühendislik
Bugünkü sunumumda mutfak havalandırma sistemlerine tasarım açısından yaklaşarak irdelemeye çalışacağım. Bu konuda mevcut olan, tanınmış standartların derinine inerek anlatmak istiyorum. Alman standartlarından VDI 2052 bu standartların başında geliyor. Ticari mutfak havalandırma standartları Almanya’da VDI 2052 2006 versiyonunun öğrendiğim kadarıyla yakında 2012 versiyonu çıkıyormuş. DIN18869 da 2005 yılı versiyonuydu. Bu standartlar da şu anda Avrupa standartlarıyla yer değiştirdi. İngiltere’de HVCA DW-172 en son 2005 yılında yayınlandı. CIBSE Guide B de DW-172’nin içinde yer alıyor. ABD’de genellikle International Mechanical Code IMC 2009’da, NFBA 96, ASHRAE Standard 154 2003 yılında ve ASHRAE Handbook Applications ‘da 2011 yılında yayınlanan kodlar ve dokümanlar olup, mutfak havalandırma sistemlerinin tasarımı hakkında detaylı bilgi veriyor. Avustralya’da ise AS 1668.2 Standardı 2002 yılında yayınlanmıştır. (Tablo 1) Genelde mutfaklarda bizi doğrudan ilgilendiren kısım sıcak mutfaklar ve sıcak mutfaklardaki davlumbazların hesaplanmasıdır. Davlumbaz dediğiniz zaman genelde duvar tipi davlumbazlar, tekli veya çiftli ada tipi davlumbazlar, arka raf tipi davlumbazları şeklinde genelleme yapılmaktadır. (Şekil 1)
Biraz daha ayrıntıya indiğimizde bunların kesitleri; yan duvar tipi, tekli ada tipi, yoğuşmalı tip ve çift sıralı ada tipidir ki bunlara örnek Şekil 2’de görülen bulaşıkhanede kullanılan dik davlumbaz bu da çift sıralı ada tipi davlumbaz kesitleridir.
Fakat VDI 2052’de şu anda eğer DIN EN 16282-2’ye bağlı olarak çok daha ayrıntılı davlumbaz tipleri tanımlanmış durumdadır. (Şekil 3) Burada dikkat çekmek istediğim husus üstten dört tanesi; standart duvara monte edilen trapezoidal davlumbaz, standart duvara monte edilen kutu tipi davlumbaz, perimetre tipi duvara monte edilen trapezoidal davlumbaz ve perimetre tipi duvara monte edilen kutu tipi davlumbaz duvara monte edilen tipler iken en alttaki duvara monte edilen endüksiyonlu kutu tipi davlumbazdır.![]() Ada tipi davlumbazlar da duvar tipi davlumbazların çiftli versiyonudur (Şekil 4). Bunlar da; standart ada tipi trapezoidal ortadan emişli davlumbaz, kübik ortadan emişli davlumbaz, kübik yandan emişli davlumbaz, kübik endüksiyonlu davlumbaz olarak tanımlanmaktadır.
Davlumbaz debisinin hesaplanmasında biraz önce belirttiğim standartların hepsinde çeşitli metotlar vardır. Bu metotlardan en tam olanı, doğrudan hesaba dayanarak kesin netice vereni ve en fazla ayrıntılı olanı 2006 yılında yayınlanmış olan Alman VDI 2052 metodu veya standardıdır. Bu metodun davlumbaz ölçülerinin bilinip, davlumbaz altındaki cihazların ölçülerinin ve ısıl güçlerinin belli olduğu durumlarda kullanılması gerekiyor.
Genelde Türkiye’deki projelerin büyük bir çoğunluğunda mutfak cihazlarının en azından ısıl değerlerini bulmak oldukça zor olmasına karşın, şayet projede bir mutfak danışmanı varsa, o takdirde mutfak danışmanları bu değerleri verebiliyorlar.
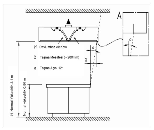
VDI 2052’ye göre davlumbaz ölçülendirilmesi şekil 5’de görüldüğü gibi normal yükseklik genelde 2,1 metre, mutfak ekipmanlarının yüksekliği ise normal olarak 0,90 metre civarındadır. Davlumbazın mutfak ekipmanlarının iz düşümünden hem sağdan hem soldan, hem önden hem arkadan yaklaşık 200 mm taşması gerekiyor. Açısı ise verilen boyutlarda 12 derecedir.
2052’ye göre davlumbaz egzoz tavası ve mutfak tavanlama havası hesapları 2052’nin ek A1’inde verilen mutfak c,hazlarından mahale yayılan özgün duyulur ve gizli ısı ile nem yayılım değerleri tablosuyla (Tablo 2) başlar. Bizim tasarımcı olarak istediğimiz; mutfak cihazlarının nominal kilovat yükleri veya ısıl yükleri dediğimiz nominal ısı yükleri ve bağlantı yükleridir. Elektrikli cihaz varsa, elektriğin şebeke yükü ya da gazlı bir cihaz varsa, nominal gaz yükü kilovat cinsinden o değerleri elde edebiliriz. Onun dışında bir de mutfak yerleşimine ihtiyacımız var. Bu iki değeri aldıktan sonra doğrudan VDI 2052’den davlumbaz egzoz debisi ve de mutfakların tamamlama havası debisi, sırasıyla uygun yönteme göre yapılması gerekiyor. Burada neredeyse karşılaşabileceğiniz bütün mutfak cihazları için duyulur ısı yayılımlarını, gizli ısı yayılımlarını, nem yayılımlarını veya buhar yayılımlarını mutfak cihazının nominal ısı yüküne bağlı olarak veriyor. Kilowatt dediğimiz kısım, mutfak cihazının ısıl bağlantı yükü, nominal yükü; Watt ise hesapta göz önüne alınması gereken o cihazdan duyulur ısı yayılımı. Sıcak mutfak hacmi içinde bir veya daha fazla davlumbaz olabilir ve oldukça fazla mutfak pişirme cihazı da bulunabilir. Bunların eş zamanlı çalışma faktörleri toplam mutfağın egzoz havası debisine ve tamamlama havası debisine etki eder. Bir tek şu anda eş zamanlılık faktörlerini göz önüne alan standart VDI 252’dir.
Mutfakların sınıflandırılması ve aynı hacim içindeki mutfak cihazlarının eş zamanlılık faktörü Örneğin; bar, restoran, otel mutfakları, kantin, pastane, yurtlardaki mutfaklar, yemek hazırlama fabrikaları gibi bunlara ait olan mutfakların eş zamanlılık faktörleri A2 tablosunda verilmiştir (Tablo3).
İlginizi çekebilir... Jeopolitik Belirsizlik Çağında Operasyonel Kale: Endüstriyel Yapay Zeka ile Risk ve Gecikmeleri YönetmekDünya ekonomisi, tarihin en karmaşık ve öngörülemez dönemlerinden birinden geçiyor. Küresel enerji koridorlarındaki gerilimler, tedarik zinciri kırılm... Su Armatürlerinde GürültüSu armatürleri içerisinden suyun akışı esnasında oluşan gürültü seviye olarak zaman zaman rahatsız edici seviyelere ulaşmaktadır. Bu yazıda su armatür... Alev-Duman Borulu Buhar Kazanlarında Yüzeysel Buharlaşma Hızı Limitlerinin Mühendislik Açısından DeğerlendirilmesiAlev""duman borulu buhar kazanlarında su""buhar ara yüzeyinde gerçekleşen yüzeysel buharlaşma hızı, buhar kalitesi ve su sürüklenm... |
|||||||||||
©2026 B2B Medya - Teknik Sektör Yayıncılığı A.Ş. | Sektörel Yayıncılar Derneği üyesidir. | Çerez Bilgisi ve Gizlilik Politikamız için lütfen tıklayınız.