
Herkesin Bildiği Habere Neden Yer Vermedik?
MCE - Mostra Convegno Expocomfort 2026
Yıl Boyu Helikopter İnişleri için Açık Alan Isıtması
Silversun'da Borudan Yayılan Işınlar Konfora Dönüşüyor
|
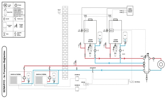
Daikin'den "Neredeyse Sıfır Enerjili Binalar" (NSEB) Yönetmeliği İçin Yeni Hibrit Sistem![]()
"Neredeyse Sıfır Enerjili Binalar" (NSEB) konseptine geçişi aşamalı olarak sağlayan yeni yönetmelikle birlikte Daikin de yeni bir sistem geliştirdi. Mucidi olduğu R-32 soğutucu akışkanlı ısı pompası ‘Altherma’ ile ‘Daikin Sensei Duvar Tipi Kazan’ı bir araya getiren Daikin, geliştirdiği bu hibrit sistemle hem daha verimli hem de sürdürülebilir bir çözümü sektöre sundu. Daikin, ürettiği cihazlara getirdiği yeniliklerle bu alandaki çıtayı yukarı taşımaya devam ediyor. Çevreye verdiği önemi her fırsatta dile getiren marka; Çevre, Şehircilik ve İklim Değişikliği Bakanlığınca hazırlanan ‘Binalarda Enerji Performansı Yönetmeliğinde Değişiklik Yapılmasına Dair Yönetmelik’in Resmi Gazete’de yayımlanması ile birlikte kazan ve ısı pompasının birlikte çalıştığı son derece verimli ve yönetmeliğin ihtiyaçlarını karşılayan bir sistem geliştirdi. İlgili yönetmelik, normal binalara göre enerji verimliliği daha fazla olan ve kullandığı enerjinin belirli bir kısmını yenilenebilir enerji kaynaklarından temin eden "Neredeyse Sıfır Enerjili Binalar" konseptine geçişi aşamalı olarak zorunlu hale getiriyor.
1 Ocak 2023 tarihinden itibaren yürürlüğe giren yönetmelikle birlikte artık 5 bin metrekareden büyük olan tüm binaların enerji performans sınıfının en az "B" olacak şekilde inşa edilmesi ve tükettikleri enerjinin en az yüzde 5'ini yenilenebilir enerji kaynaklarından karşılamaları gerekiyor. Yeni uygulama ile yenilenebilir enerji ve yeşil binalar, inşaat sektörünün tercihlerindeki etkisini artıran bir unsur olarak öne çıkıyor.
Daikin, mucidi olduğu R-32 soğutucu akışkanlı ısı pompaları ve Daikin Türkiye’nin Hendek’te yer alan üretim merkezinde üretilen Sensei Duvar Tipi Kazanları ile çevreci ve avantajlı bir sistem geliştirdi. Kazan ve ısı pompasının bir arada kullanıldığı bu hibrit sistem ile daha verimli ve sürdürülebilir bir dünyanın kapısını aralayarak kullanıcıların beğenisine sundu. Daikin’in gerçekleştirdiği çalışmaya göre; ‘Daikin Sensei Duvar Tipi Kazan’lar ile ‘Altherma’ modellerini hibrit olarak çalıştırarak, ‘Neredeyse Sıfır Enerjili Binalar’ (NSEB) hesaplamalarında bina enerji performans sınıfının yükselmesi sağlanabiliyor. Hazırlanan sistem çalışmasında ana ısıtma ünitesi olarak yoğuşmalı kazanlar kullanılıyor. Isı pompası havadaki yenilenebilir enerjiyi belli oranda sisteme enjekte ediyor. Isı pompası tesisattan dönen düşük sıcaklıktaki dönüş suyunun sıcaklığını 5°- 8° C’ye kadar yükselterek kazan dönüş su sıcaklığını yükseltiyor ve kazan da su sıcaklığını ayarlanan seviyeye çıkartıyor. Doğada bulunan ancak; düşük sıcaklığı nedeniyle kullanılamayan enerjiyi kullanılabilir sıcaklığa yükselterek kullanılabilir hale getiren cihazlara ‘ısı pompası’ adı veriliyor. Bu işlem, klimalarda olduğu gibi soğutma çevrimi sayesinde gerçekleşiyor. Yani bu sistemde bir kompresör ve soğutucu akışkan devresi bulunuyor. Hava, su, toprak gibi doğada bulunan ve kullanırken hiçbir ücret ödenmesi gerekmeyen bu enerji kaynakları ısı pompalarının çalışmasını sağlayarak ısıtma, soğutma ve sıcak su elde edilmesini sağlıyor. Soğutucu akışkan içeren kapalı bir devreden meydana gelen sistem; buharlaşma, sıkıştırma, yoğuşma ve genleşme adımlarından oluşan termodinamik bir döngü oluşturuyor. Bu şekilde de ısıtma ve soğutma sağlıyor. Hava, doğal enerji kaynakları içinde en kolay ve en fazla bulunanı olduğu için günümüzde çoğunlukla hava kaynaklı ısı pompaları tercih ediliyor. Isı pompaları, tükettikleri enerjinin yaklaşık yüzde 80’ini ortam havasından veya jeotermal enerjiden elde ederken sadece yüzde 20 oranında elektrik kullanıyor. Bu özelliğinden dolayı ısı pompaları fosil yakıt kullanan sistemlerin yerini alabilecek çevreci bir çözüm olarak öne çıkıyor.
Havadan suya ısı pompalarının mucidi Daikin Altherma, dünyada 800 bini aşan kullanıcısının ısınma ve sıcak su ihtiyacını karşılıyor. Fosil yakıtlı kazanlara göre çok daha az enerji tüketen Daikin Altherma, ısıtma, soğutma ve sıcak su kullanımında kullanıcılara önemli bir maliyet avantajı sağlıyor.
Bireysel kullanımın yanı sıra ticari amaçlı kullanım için de ısı pompası teknolojisine sahip ürünler sunan Daikin, bu alanda sektörüne öncülük ediyor. Isı pompası teknolojisine sahip VRV dış ünitelerden, geniş kapasite aralığı sunan soğutma gruplarına kadar geniş bir ürün yelpazesiyle; ticari binaların ve endüstriyel tesislerin konfor ve yüksek enerji verimliliği gereksinimlerini karşılayan bir çözüm ortağı olarak tüketici ile buluşuyor. Söz konusu uygulama ile 2030 itibarıyla bin metrekare ve üzerindeki; 2053 itibarıyla da tüm binaların “Neredeyse Sıfır Enerjili Binalar” (NSEB) olması hedefleniyor. İlginizi çekebilir... Rota Klima'dan Yeni Ürün: TEK YÖN KASETRota Klima pazara yeni bir ürün daha sundu. Tek Yön Kaset klima olarak yeni ürününü Mart 2026 itibariyle pazara sunan Rota Klima, ticari binalar ve vi... Akıllı Ultrasonik Doğalgaz Sayaçları ile Enerji Altyapısında Yeni DönemDoğalgaz sektöründe regülasyon ve ölçüm ekipmanları alanında faaliyet gösteren ESKA Valve, yaklaşık 200 milyon TL'lik Ar-Ge yatırımı sonucunda gel... İklimsa'dan Her Bütçeye Uygun Sürdürülebilir Çözümlerİklimsa, iklimlendirmenin yanı sıra güneş enerji sistemleri de dahil olmak üzere çevre dostu çözümleriyle her bütçeye uygun, konforlu seçenekler ve av... |
|||||||||||
©2026 B2B Medya - Teknik Sektör Yayıncılığı A.Ş. | Sektörel Yayıncılar Derneği üyesidir. | Çerez Bilgisi ve Gizlilik Politikamız için lütfen tıklayınız.